咨询热线:027-87989990

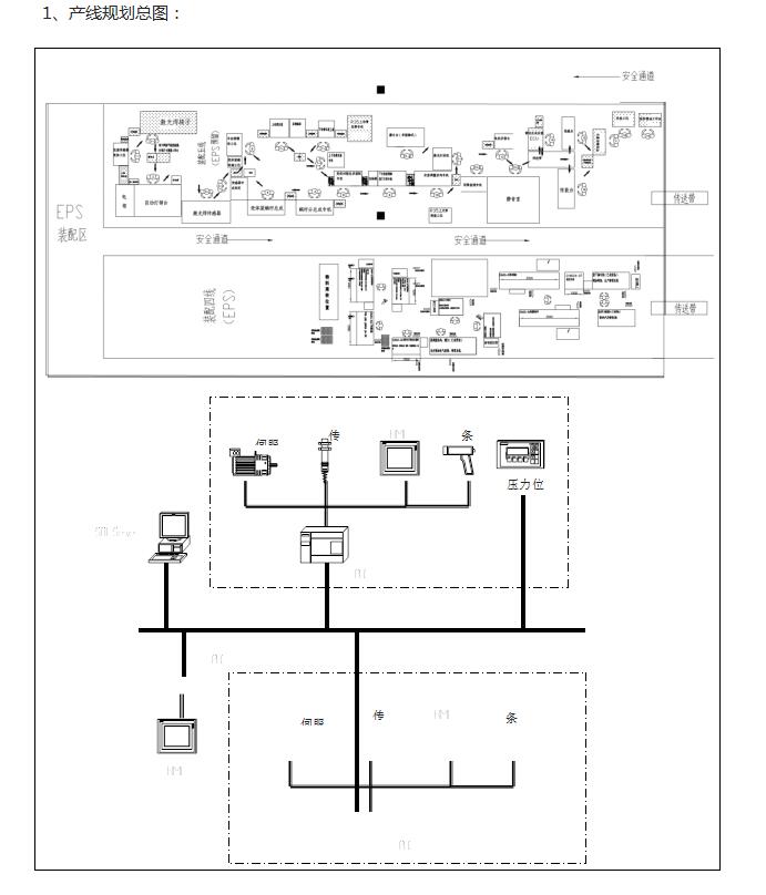
C-EPS装配线

C-EPS装配线



2、设备特点 
序号 特点 备注
1 装配线具有对相似、相近产品的扩展能力  
2 产品用工装均有定位快换接口结构  
3 单台设备数据保存本地,具备数据上传功能,以后便于联网查询  
4 具备防错技术,同时可提示下一工装动作所需工件的位置,设有保护安全光幕  
5    
3、装配项目
C-EPS装配线
产线工位 装配项目 说明 备注
下柱管压装 上壳体压装轴承 1.轴承压入力≤2000N,有压力位移监控
2.轴承采用自动弹夹式上料
3.下柱管压装上壳体,压入力8KN~13KN,压力/位移监控1111
 
下柱管压装到上壳体
上柱管压装 上柱管压装轴承 1.上柱管压轴承采用电动缸压装,压入力≤2000N,压力/位移               监控
2.轴承采用自动弹夹式上料
3.柱管压铆采用气液增压缸压铆,压铆力≤80KN,机械限位,保证压铆后轴承转动灵活、无卡滞现象
 
上柱管压铆
上、下柱管压装 上柱管总成与轴管压装 1.轴承压入力≤2000N,有压力位移监控
2.轴承采用自动弹夹式上料
3.卡簧压装和轴管采用同一套压装方式,只 是中间辅助压头
   需要移动,便于卡簧上料
4.上下柱管采用电动缸压装,压装力1.5~2.5KN,可设定,
  上下柱管压装速度10mm/S,压装有压力位移监控,位移传
  感器保证压装位置
 
上柱管压装卡簧
上、下柱管压装
柱管芯轴总成装配 十字花键轴涂脂 1.芯轴十字花键定量涂脂;
2.O型圈手动套入;
3.手动安装传感器线束、线卡;
4.手动安装下支架;
5.螺钉采用气动定扭扳手拧紧,扭矩23±3N.m,有OK信号输
  出
 
芯轴总成与柱管总成装配
安装传感器线束、线卡
安装下支架
螺钉安装拧紧
噪音测试 电动管柱噪音测试 1.人工转动辅入轴,听取不同地方的噪音;
2.内部环境噪音不大于40db(外部环境不大于75 db);
3.静音房左右两面设有可控制的窗口,大小为500X400mm,离
  地高度1000mm。
 
传感器对中 传感器对中 1.本机床用于上海海拉电子有限公司所提供的非接触式扭矩传
  感器和BI扭矩传感器在装配并打销后的电动转向管柱总成
  扭矩传感器零点偏差参数的编程并固化;
2.本机床完成对扭矩传感器零点偏差参数的编程后,通过输入
  轴加载装置对扭矩传感器进行传感器特性试验,并检测传感
  器空载扭矩,试验合格后进行扭矩传感器零点偏差参数的固
  化
 
性能测试 性能测试 1.本试验台可输出摸拟量、也可通过CAN接口给数字量信号给
   控制器提供车速、发动机转速等相关工作信号。
2.夹具具有互换性。
3.具备有刷、无刷电机检测功能(无刷不测电流特性)。
4.具备接触式、非接触式传感器检测功能。
 
激光打标机 激光打永久标示标识 1.打标清晰,能打图形标识;
2.打标过程中吸烟吸尘
 
 
 

鄂ICP备09029328号    Copyright © 2014-2018 武汉子午线电子科技有限公司 版权所有 Power by moke8